发布时间:2025-12-26 17:03:00 作 者:袁封雪
客户在购买螺旋给料机时,除了考虑螺旋给料机是否能达到自己所要输送的物料的处理量、螺旋给料机的输送效率、使用寿命等问题,还会考虑选购的螺旋给料机是否可以安装在其生产空间,这时就需要知道螺旋给料机的尺寸及型号。下面,小编就为大家介绍一下螺旋给料机的尺寸及型号:

其型号主要有:GX150,GX200,GX250,GX300,GX400,GX500,GX600
GX型螺旋输送机主要在化工、建材、冶金等行业中应用广泛,适用于水平或倾斜的粉状、颗粒状等物料的输送,倾斜角度小于20度。其输送优点是可多点装卸物料,密封性号码,操作简单,成本低。
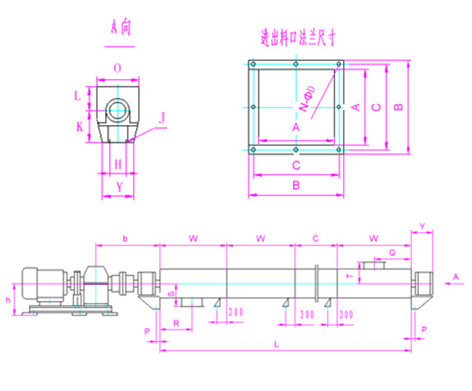
详细技术参数图如下:

GX螺旋输送机外形尺寸设计图如下:

尺寸表如下:


其型号主要有LS100,LS200,LS250,LS315,LS400,LS500,LS600等型号
LS型螺旋输送机是GX的改良式螺旋输送机,主要是用来输送颗粒状、粉状物料,如:水泥、污水、化肥等,倾斜角度不超过15度。其输送优点是输送量大,承载力大,安装维修方便,使用寿命长等。
详细技术参数图如下:

LS螺旋输送机外形尺寸设计图如下:

尺寸表如下:


其型号主要有WLS100,WLS160,WLS200,WLS250,WLS500,WLS800,WLS1000,WLS1250等多种型号
WLS型螺旋输送机主要是用来输送格栅除污所分离出来的污物,如:污泥、半流体等物质。其输送优点是输送量更大,是相同直径的LS型的1.5倍,无轴承输送更流畅,可加盖封闭,污染少等。
详细技术参数和尺寸图如下:

WLS螺旋输送机外形尺寸设计图如下:


其型号主要有U200,U250,U300,U400,U500,U600等多种型号
U型螺旋输送机是水平输送,敞开加料,倾斜角度不超过25度。其有单轴驱动螺旋和双轴驱动螺旋之分,其最大的优点是密封性好,粉尘不会飞扬,适合对环境有一定要求的物料的输送。
详细技术参数图如下:

U型螺旋输送机外形尺寸设计图如下:

Copyright ? 2008-2026 螺旋输送机厂家-新乡市大汉振动机械有限公司 All Rights Reserved 版权所有
网站备案号:豫ICP备09002479号-47

